产品分类
当前位置: 首页 > 粉体产品 > TVP活塞式振动器

TVP活塞式振动器

产品简介: 1.高强度铝合金硬化处理。 2.低频振动,对架桥破坏效果极佳。 3.振动时可依需求调整振幅及频率。

流量范围:

相关认证: TVP活塞式振动器 TVP活塞式振动器 TVP活塞式振动器 TVP活塞式振动器

1.高强度铝合金硬化处理。
2.低频振动,对架桥破坏效果极佳。 
3.振动时可依需求调整振幅及频率。
4.可瞬间启动及停止工作。
5.工作温度:-30℃-100℃;噪音:80-115dBA
说明:利用空气做缓冲,低噪声运行,可用于对噪声要求严格的场所。
解决桶槽物料附着及帮助物料流动,并可设计与振动式筛选机及输送机或水平输送设备。
振动器内有一两端开设导气孔的活塞,压缩空气进入后,由活塞导气至一端产生推力,推动气缸运动至另一端,当运动一短距离时,利用活塞导气口与本体进气位置的之变化,使活塞在本体内产生往复运动,透过本体而传递振动力。活塞运行中会在本体两端各产生压缩气体,是活塞因空气缓冲的效果,不会撞击到本体。


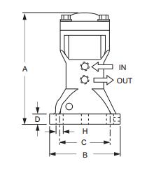
外形尺寸

型号

A

∅B

∅C

D

∅H

IN

OUT

TVP-30

138

80

60

12

9

1/8’’PF

1/8’’PF

TVP-40

166

100

75

16

11

1/4’’PF

1/4’’PF

TVP-60

208

140

105

16

15

1/4’’PF

1/4’’PF


技术参数

型号

频率(VPM)

振动(N)

空气消耗量(L/min)

重量(kg)

2kg/C㎡

4kg/C㎡

6kg/C㎡

2kg/C㎡

4kg/C㎡

6kg/C㎡

TVP-30

1765

2308

2857

195

380

560

230

0.9

TVP-40

1333

1677

1875

275

531

715

249

1.9

TVP-60

1000

1200

1340

404

780

1030

269

4.5


一、订购方式

产品类
步骤一
(查找产品)
通过网站(天利流体 官方网)或服务目录确定产品型号和名称(例如:WX-10B微型蠕动泵 )
特别提示:如果您不熟悉或不清楚自己需要的产品, 请点击 《TLLT天利流体蠕动泵选型表》word版PDF版,下载后可以直 接打印出来,填写后请发传真到86-0510-82749199,或发邮件到:tllt@china- tllt.com ,我们将有销售人员提供免费选型服务!
步骤二
下订单
方式一、联系我400-0510-608 0510-82749177 将产品型号 和所需数量提供给销售人员
方式二、填写电子版产品订购表格或者产品订购合同(销售人 员会提供);
发送表格至tllt@china-tllt.com或传真至 86-0510-82749199

二、付款方式

银行汇款
公司名称: 无锡市天利流体科技有限公司
开户银行: 中国农业银行无锡市八士支行
对公帐号: 651 801 040 009 626
银行行号: 103302065180

三、快递地址

快递地址
收件人姓名: 销售部 (需要注明具体客服人员姓名),如不清楚填写:顾旖 旎 小姐
收件人单位: 无锡市天利流体科技有限公司
收件人地址: 中国江苏省无锡市八士新坝工业园1号
收件人邮编: 214192
收件人电话: 请参见联系我们 一栏,或填写我们的统一热线:0510-82749177 82749188

四、产品价格说明

本公司产品价格以中文网站人民币价格为准(如有疑问欢迎来电咨询)
* 对于首次订货的客户将享受折扣优惠或小礼品;
* 对于本公司的会员客户,将长期享受公司提供的会员价;

五、送货方式及费用

运输方式 费用
快递或者物流 >500元的订单:免收运费(小于2kg)
<500元的订单:江浙沪(小于2kg)运费10元;其他地区 (小于2kg)运费20元;大于2kg,运费30元;

六、发货热线

发货热线:13912371200 黄晓波 先生

七、质量承诺

1. 本公司的所有产品都经过严格的质量检测后发货。如果发现确实存在问题,本公司保证给以退换
请下载并填写产品投诉 表
2. 如果货到后一个月内用户未对产品提出异议,则视该产品为优良产品,本公司不再受理退换及索赔事宜 。对产品质量存在异议时,请及时提出,以便本公司回收产品,确认产品质量。





八、电子样册下载

点击下载 天利流体2018粉体产品电子样册 (PDF格式)



注:如果您需要其他资料,请和我们的服务人员联系,我们将竭诚为您服务!


点击数:1553 添加时间:2018-09-28 15:40:48【打印此页

QQ:2275026860
Tel:0510-82749188