产品分类
当前位置: 首页 > 粉体产品 > 旋转阀

TQX清洗型旋转阀

产品简介: QX快速分解清洗型旋转阀广泛用于食品、药品、乳制品等对卫生高要求场合以及更换物料频繁需要清理系统的供(卸)料。

流量范围:

相关认证: TQX清洗型旋转阀 TQX清洗型旋转阀 TQX清洗型旋转阀 TQX清洗型旋转阀

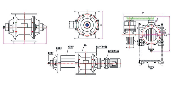
1、滑竿式:清洗前的拆卸。松开活动端盖上的螺旋手柄,沿柱将端盖和转子一起拉出,松开轴端的螺旋手柄,取出转子。清洗后的安装。将清洗后的转子插入壳体内,转动转子使键槽齿合,推动端盖、旋紧端盖上的螺旋手柄,再将轴端的螺旋手柄锁紧,使转子一起转动。
2、铰链式:操作方法基本如上所述。
短时间内分解重组,因此可以缩短清洗时间。
与物料的接触面全部抛光处理,易清理。
轴承外置。防止清洗的液体与油污串通,安全卫生。
气体吹出(根据需要),防止物料在夹缝中研磨而产生的变色、变质。
标准的为马达直联驱动(也有链驱动)。
提供各种尺寸的口径和特殊要求的产品。
材质为不锈钢系列等。   

型号-口径

Type

每专容积

L/Rev

外形及安装联接尺寸Stuctural dimensions(mm) 转速 电机功率
H ΦA ΦB ΦC E F M N N-Φd r/min (KW)
TQX-100 2 280 100 180 220 240 260     8-Φ18 1~50 0.2
TQX-150 4 320 150 240 285 280 300 630 560 8-Φ22 1~50 0.4
TQX-200 8 370 200 295 340 300 320 680 620 8-Φ22 1~50 0.55
TQX-250 16 430 250 350 395 325 345 780 680 12-Φ22 10~24 0.75
TQX-300 25 490 300 400 445 350 370 830 730 12-Φ22 10~24 1.1


一、订购方式

产品类
步骤一
(查找产品)
通过网站(天利流体 官方网)或服务目录确定产品型号和名称(例如:WX-10B微型蠕动泵 )
特别提示:如果您不熟悉或不清楚自己需要的产品, 请点击 《TLLT天利流体蠕动泵选型表》word版PDF版,下载后可以直 接打印出来,填写后请发传真到86-0510-82749199,或发邮件到:tllt@china- tllt.com ,我们将有销售人员提供免费选型服务!
步骤二
下订单
方式一、联系我400-0510-608 0510-82749177 将产品型号 和所需数量提供给销售人员
方式二、填写电子版产品订购表格或者产品订购合同(销售人 员会提供);
发送表格至tllt@china-tllt.com或传真至 86-0510-82749199

二、付款方式

银行汇款
公司名称: 无锡市天利流体科技有限公司
开户银行: 中国农业银行无锡市八士支行
对公帐号: 651 801 040 009 626
银行行号: 103302065180

三、快递地址

快递地址
收件人姓名: 销售部 (需要注明具体客服人员姓名),如不清楚填写:顾旖 旎 小姐
收件人单位: 无锡市天利流体科技有限公司
收件人地址: 中国江苏省无锡市八士新坝工业园1号
收件人邮编: 214192
收件人电话: 请参见联系我们 一栏,或填写我们的统一热线:0510-82749177 82749188

四、产品价格说明

本公司产品价格以中文网站人民币价格为准(如有疑问欢迎来电咨询)
* 对于首次订货的客户将享受折扣优惠或小礼品;
* 对于本公司的会员客户,将长期享受公司提供的会员价;

五、送货方式及费用

运输方式 费用
快递或者物流 >500元的订单:免收运费(小于2kg)
<500元的订单:江浙沪(小于2kg)运费10元;其他地区 (小于2kg)运费20元;大于2kg,运费30元;

六、发货热线

发货热线:13912371200 黄晓波 先生

七、质量承诺

1. 本公司的所有产品都经过严格的质量检测后发货。如果发现确实存在问题,本公司保证给以退换
请下载并填写产品投诉 表
2. 如果货到后一个月内用户未对产品提出异议,则视该产品为优良产品,本公司不再受理退换及索赔事宜 。对产品质量存在异议时,请及时提出,以便本公司回收产品,确认产品质量。





八、电子样册下载

点击下载 天利流体2018粉体产品电子样册 (PDF格式)



注:如果您需要其他资料,请和我们的服务人员联系,我们将竭诚为您服务!


点击数:1909 添加时间:2018-09-28 15:39:22【打印此页

QQ:2275026860
Tel:0510-82749188